东莞市富宝机电科技有限公司 • 为中国智造注入新动力

产品选型指导 资料下载 产品定制 18929474788

DAR精密转角斜齿减速机

品种:经济型、泛用型

品牌:PHT品宏

DAR精密斜齿减速机是我们在经济型产品领域的智能型直角式解决方案:节省空间,性能强劲,且价格十分合理。驱动元件可直接安装在输出轴上,在实际应用中获得最佳灵活度。

产品特点 技术参数 关键尺寸 应用案例 安装指导

减速机特点

在线选型咨询
  • 1

    高精度

  • 2

    高扭矩

  • 3

    高散热

  • 4

    高刚性

  • 5

    耐过载


技术参数

在线选型咨询

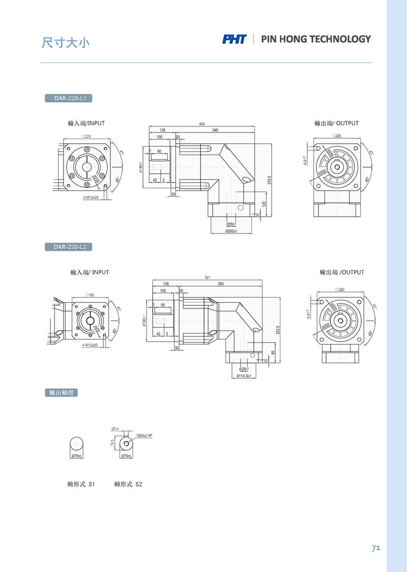
关键尺寸

在线选型咨询


应用案例

在线选型咨询

减速机安装

在线选型咨询
2D/3D图纸下载
提交下载 获取密码
密码获取

将通过短信发送密码,也可以咨询网站客服索要



需求留言